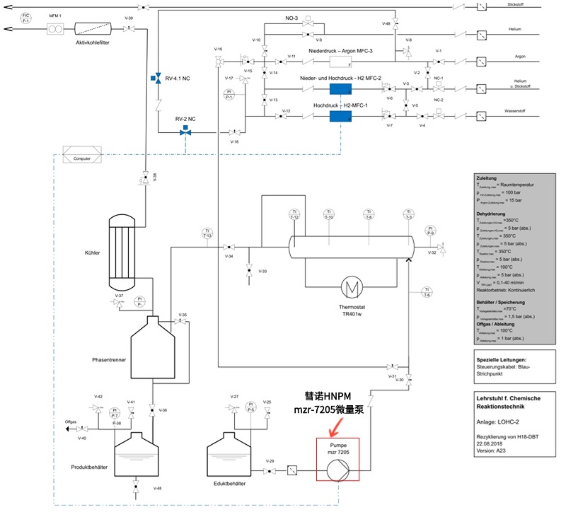
LOHC连续脱氢管式反应器稳定输送H18-DBT解决方案:彗诺HNPM mzr-7205微量泵
全氢二苄基甲苯(H18-DBT)是一种很有前途的液态有机氢载体(LOHC),可实现常温常压长时间、长距离的氢能储运,具有蒸汽压低、液相温度范围宽、不易燃、无毒无害、绝缘性好等特点,可用作高温导热油、塑料添加剂、有机液态储氢载体等,其中高温导热油是其最重要用途。
如何在LOHC连续脱氢管式反应器稳定输送H18-DBT的关键:彗诺HNPM mzr-7205微量泵
埃尔朗根-纽伦堡大学工程学院成功使用德国HNPM彗诺mzr-7205微量泵集成到LOHC连续脱氢的管式反应器中,用于稳定供料。彗诺HNPM mzr-7205微量泵能低脉动稳定输送 0.048 mL/min 至 288 mL min-1 的高粘度介质。因此,它特别适用于输送 H18-DBT。

H18-DBT反应物储存在一个10升的不锈钢容器中,并通过HNPM微量泵mzr-7205微量泵直接输送到热反应器。
LOHC脱氢后,氢气和LOHC在反应器末端一起离开反应器。产品被送入一个 5 升的钢罐中,该钢罐的耐压能力高达 5bar(a),并在那里相互分离。由于进入容器时横截面从6毫米增加到168毫米,流速大大降低。LOHC收集在容器底部,产生的氢气上升,任何可能由于流速减慢而沿下沉携带的LOHC液滴。上升的氢气在双管冷却器中冷却至约15°C,以进一步冷凝出LOHC。
随后,V-38手动保压阀上的压力从对环境压力的反应中放松。反应可以通过将压力保持在高达4.7bar(a)来进行。膨胀后,氢气在活性炭过滤器中进一步提纯碳氢化合物,以免伪造下游热式质量流量计(MFM-1)测得的质量流量。通过MFM,可以通过质量平衡来确定反应过程,另一种确定周转的可能性是通过阀门V-33的液体取样,然后通过NMR确定氢化程度。
LOHC连续脱氢管式反应器稳定输送H18-DBT的设备流程图

可以看到彗诺HNPM mzr-7205微量泵在该设备中发挥着重要作用,是H18-DBT能够被稳定输送的关键。